| Product name | iX3 | |||||
|---|---|---|---|---|---|---|
| Size | 565 | |||||
| Number of axes | 3 Axis | 4 Axis | ||||
| IP | Standard | IP65/67 | Standard | IP65/67 | ||
| Part Number | RX3-2065600 | RX3-2065610 | RX3-2065604 | RX3-2065614 | ||
| Mounting | inverted | |||||
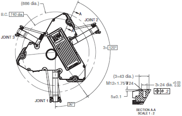
| Working volume | X,Y axis (stroke) | 1130 mm | ||||
| Z axis (stroke) | 425 mm | |||||
| theta axis (rotation angle) | - | ±360° | ||||
| Maximum Payload | 8 kg | 3 kg | ||||
| Repeatability | ±0.10 mm | |||||
| Cycle times, sustained, 20°C ambient *1 |
Payload 0.1 kg | 0.32 s | 0.35 s | |||
| Payload 1.0 kg | 0.34 s | 0.37 s | ||||
| Payload 3.0 kg | 0.38 s | 0.42 s | ||||
| Power Requirements | 24 VDC: 6 A 200 to 240 VAC: 10 A, single-phase |
|||||
| Protection | Base | Topside of robot | IP20 | IP65 | IP20 | IP65 |
| Underside of robot | IP65 | |||||
| Platform, Arms | IP67 | |||||
| Environment Requirements |
Ambient Temperature | 1 to 40°C | ||||
| Humidity Range | 5 to 90% (non-condensing) | |||||
| Weight | 52 kg | |||||
| Basic configuration |
Controller | iCS-ECAT | ||||
| On-board I/O (Input/Output) | 12/8 | |||||
| Conveyor tracking input | 2 | |||||
| RS-232C serial communications port |
1 | |||||
| Programming environment | Sysmac Studio 64-bit | |||||
| ACE Sight | Yes | |||||
| ePLC Connect | No | |||||
| ePLC I/O | No | |||||
| Connectable controller | NJ501-R Series | |||||
*1. Adept cycle, in mm (25/305/25)
(Одиниця вимірювання: мм)
iX3

Передня панель

Фланець

Footprint
